Forged steel flange check valve
[Product Use]
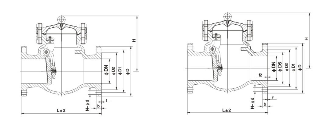
H44H, H44Y type PN16~PN250 swing check valve is suitable for petroleum, chemical, pharmaceutical, fertilizer, electric power industry and other working conditions with a pressure of 1.6~25MPa working temperature -29~+550℃. The applicable medium is water, oil, steam, acidic medium, etc.
[Product Features]
H44H and H44Y swing check valves are automatically opened and closed by the force generated by the flow of the medium itself in the pipeline. It is an automatic valve. The check valve is used in the pipeline system. Its main function is to prevent the backflow of the medium, prevent the reverse of the pump and its driving motor, and the release of the medium in the container. The check valve can also be used to supply the auxiliary system for the pressure that may rise above the pressure of the main system.
Products and services that meet fluid control requirements
Each process, each facility, and each environmental constraint has its own special requirements. Therefore, Dongyan offers a comprehensive range of products covering different performance levels, pressures, different functions and different materials.
Contact
Download








Download