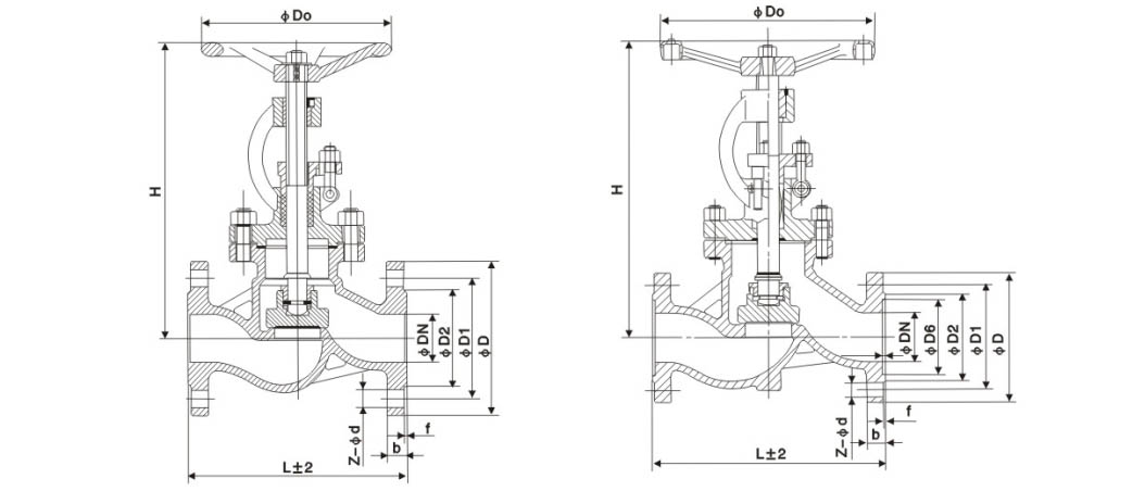
Butt-weld stop valve
[Use of the product]
The opening and closing parts of the J61H, J61Y and J61W national standard shut-off valves produced by the company are cylindrical valve flaps. The sealing surface is flat or conical, and the valve flaps move in a straight line along the center line of the fluid. The national standard shut-off valve is only suitable for full opening and full closing. Generally, it is not used to regulate the flow rate. When custom-made, it is allowed to adjust and throttle.
[Product Features]
1. The structure is simple, and the manufacturing and maintenance are convenient.
2. Short work schedule and short opening and closing time
3. Good sealing, small friction between sealing surfaces, long service life
Products and services that meet fluid control requirements
Each process, each facility, and each environmental constraint has its own special requirements. Therefore, Dongyan offers a comprehensive range of products covering different performance levels, pressures, different functions and different materials.
Contact
Download








Download