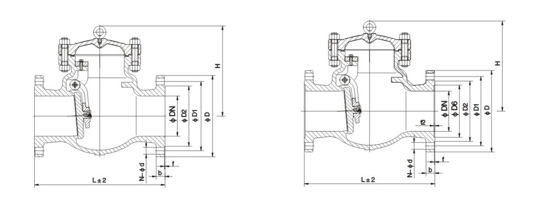
Welding swing check valves
H44H, H44Y type PN16~PN250 rotary check valve is suitable for pipelines with a pressure of 1.6~25MPa and a working temperature of -29~+550℃ in various working conditions such as petroleum, chemical, pharmaceutical, fertilizer and power industries. The applicable media are water, oil, steam and acidic media. Wait.
[Product Features]
H44H and H44Y type rotary check valves are automatically opened and closed by the force generated by the flow of the medium itself in the pipeline, which is a kind of automatic valve. The check valve is used in the pipeline system. Its main function is to prevent the backflow of the medium, prevent the reversal of the pump and its drive motor, and the release of the medium in the container. The check valve can also be used to supply the auxiliary system where the pressure may exceed the pressure of the main system.
Products and services that meet fluid control requirements
Each process, each facility, and each environmental constraint has its own special requirements. Therefore, Dongyan offers a comprehensive range of products covering different performance levels, pressures, different functions and different materials.
Contact
Download








Download