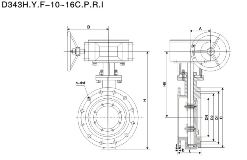
Flanged multi-layer metal hard seal butterfly valve
The D373H and D373Y clamp butterfly valves adopt a precise J-shaped elastic sealing ring and a three-eccentric multi-level metal hard sealing structure, which is widely used in industrial pipelines such as metal treatment, electric power, petrochemical, and water supply and drainage and municipal construction with a medium temperature of ≤425℃, for regulating flow and carrying fluid.
[Product Features]
1. The clamp butterfly valve adopts a three-eccentric sealing structure, and the valve seat and butterfly plate are almost no wear-free, and it has a tighter sealing function;
2. The sealing ring is made of stainless steel, which has the dual advantages of metal hard sealing and elastic sealing. Whether at low or high temperature, it has excellent sealing performance, corrosion resistance, long service life and other characteristics;
3. The sealing surface of the butterfly plate is made of cobalt-based cemented carbide, which is wear-resistant and has a long service life;
4. The large-sized butterfly plate adopts a kilted structure, with high strength, large overflow area and small flow resistance;
5. The clamp-type hard-sealing butterfly valve has a two-way sealing function. When installed, it is not limited by the direction of the medium flow and is not affected by the spatial position. It can be installed in any direction;
6. The drive device can be installed at multiple stations (rotate 90° or 180°), which is convenient for users to use;
Products and services that meet fluid control requirements
Each process, each facility, and each environmental constraint has its own special requirements. Therefore, Dongyan offers a comprehensive range of products covering different performance levels, pressures, different functions and different materials.
Contact
Download








Download