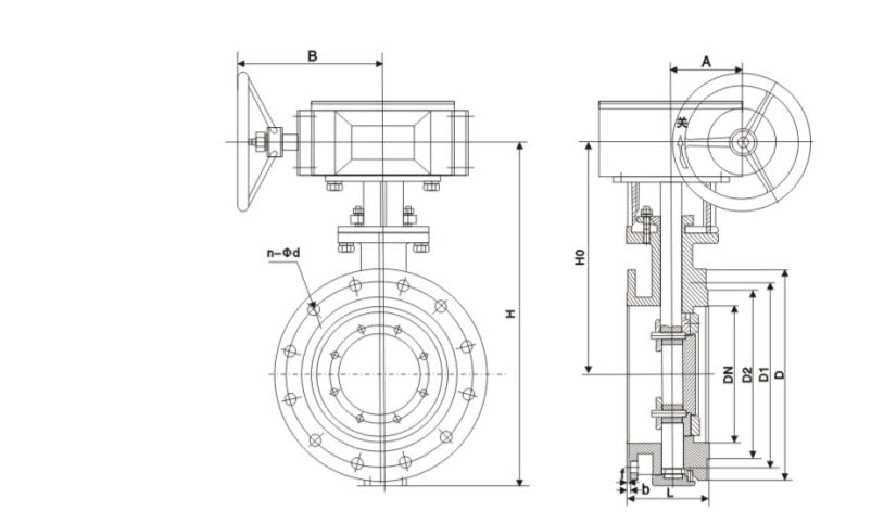
Manual flanged butterfly valve
The D43H and D43W type triple eccentric multi-layer hard seal butterfly valves are widely used in pipelines of corrosive media such as metallurgy, power, petroleum, chemical industry, air, gas, flammable gas and water supply and drainage.
Structural Features
1. The hard-sealed butterfly valve adopts a three-eccentric hard sealing structure. The valve seat and the butterfly plate have almost no wear, and it has a sealing function that becomes tighter as it is observed.
2. The sealing ring is made of stainless steel, featuring the dual advantages of metal hard sealing and elastic sealing. It has excellent sealing performance in both low-temperature and high-temperature conditions, and is characterized by corrosion resistance and a long service life.
3. The sealing surface of the butterfly plate is made of cobalt-based hard alloy by surfacing, which is wear-resistant and has a long service life.
4. The large-sized butterfly plates adopt a truss structure, featuring high strength, large flow area and low flow resistance.
5. According to the user's requirements, the hard-sealed butterfly valves of the valve supply network can be designed with bidirectional sealing function. During installation, they are not restricted by the flow direction of the medium and are not affected by the spatial position, and can be installed in any direction.
6. The drive unit can be installed in multiple positions (rotating 90° or 180°), which is convenient for users to operate.
Products and services that meet fluid control requirements
Each process, each facility, and each environmental constraint has its own special requirements. Therefore, Dongyan offers a comprehensive range of products covering different performance levels, pressures, different functions and different materials.
Contact
Download








Download