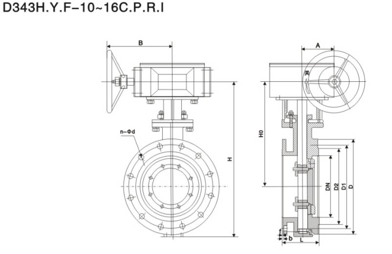
Worm gear flanged butterfly valve
D343H and D343W three-eccentric multi-layer hard seal butterfly valves are widely used in pipelines of corrosive media such as metallurgy, electricity, petroleum, chemicals, air, gas, combustible gases and water supply and drainage.
[Structural Features]
1. The hard sealed butterfly valve adopts a three-eccentric hard seal structure. The seat and butterfly plate are almost wear-free, and it has the tighter sealing function.
2. The sealing ring is made of stainless steel, which has the dual advantages of metal hard sealing and elastic sealing. It has excellent sealing performance, corrosion resistance and long service life at low temperature and high temperature.
3. The butterfly plate sealing surface is made of surfacing cobalt-based cemented carbide, which is wear-resistant and has a long service life.
4. The large-size butterfly plate adopts a quilted structure with high strength, large overcurrent area and small flow resistance.
5. According to the needs of users, the hard seal butterfly valve of the valve supply network can be designed to have a two-way sealing function. When installing, it is not limited by the flow direction of the medium or affected by the spatial position. It can be installed in any direction.
6. The driving device can be installed at multiple workstations (rotating 90° or 180°), which is convenient for users to use.
Products and services that meet fluid control requirements
Each process, each facility, and each environmental constraint has its own special requirements. Therefore, Dongyan offers a comprehensive range of products covering different performance levels, pressures, different functions and different materials.
Contact
Download








Download