Worm gear stainless steel butterfly valve
D343H and D343W three eccentric multi-level hard sealed butterfly valves are widely used in pipes of corrosive media such as metallurgy, electric power, petroleum, chemical industry, air, gas, combustible gases and drainage.
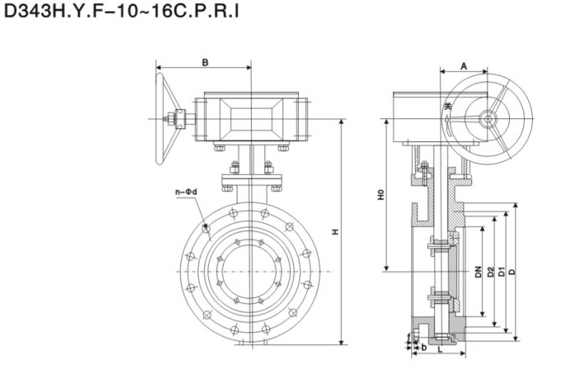
[Structural Characteristics]
1. The hard sealing butterfly valve adopts a three-centric hard sealing structure. The valve seat and butterfly plate are almost wear-free, and have a tighter sealing function.
2. The sealing ring is made of stainless steel, which has the dual advantages of metal hard sealing and elastic sealing. Regardless of low temperature and high temperature, it has excellent sealing performance, corrosion resistance and long service life.
3. The sealing surface of the butterfly plate is made of surfacing cobalt-based cemented carbide. The sealing surface is wear-resistant and has a long service life.
4. The large-scale butterfly plate adopts a kilted frame structure, with high strength, large overcurrent area and low flow resistance.
5. According to the needs of users, the hard-sealed butterfly valve of the valve supply network can be designed to have a two-way sealing function. When installed, it is not limited by the flow direction of the medium or the space position. It can be installed in any direction.
6. The drive device can be installed at multiple stations (rotation 90° or 180°), which is convenient for users to use.
Products and services that meet fluid control requirements
Each process, each facility, and each environmental constraint has its own special requirements. Therefore, Dongyan offers a comprehensive range of products covering different performance levels, pressures, different functions and different materials.
Contact
Download








Download